一、高浓度次氯酸钠发生器的介绍及应用范围
赛一高浓度次氯酸钠发生器是一种中小型电化学系统,专为现场远程应用而设计,旨在使用食品级盐,安全、经济、高效地生产高纯度、可商用的次氯酸钠溶液。这些系统可以配置为生产浓度为5~17%的次氯酸钠溶液。本产品消除与加压氯的储存和使用有关的安全问题,以及与散装化学品供应商相关的高成本、供应和可行性问题。
应用领域:
污水处理 饮用水消毒
自来水处理 冷却水杀菌
制浆造纸消毒 食品加工灭菌
医疗消毒 漂白剂生产
产品优点
消除氯气风险:避免有毒气体泄漏隐患
副产高值碱液:产高纯度膜级氢氧化钠副产品
产品浓度范围宽:产品浓度范围广(5~17%)
原料利用高效:使用食品级盐,实现最高运行效率
控制智能便捷:配备直观易用的触摸屏PLC控制系统
合规安全保障:采用NSF认证材料,符合安全卫生标准
氢气安全处理:有效稀释至安全浓度(<1%)
二、高浓度次氯酸钠发生器
电解槽系统:采用选择性离子膜技术和涂层钛电极的分区电解槽设计。膜电解槽避免了常规阳极结垢,并消除了对电极酸洗的任何要求。消除了散装运输和过度储存的需要。与市场产品相比,可以显著节省成本。
电源系统:采取了晶闸管直流电源和可调节电流源,将稳态直流输出保持在1%以内。
自动化系统:可编程逻辑控制器(PLC)能够与大多数现有系统进行接口连接,以实现远程控制和监控。操作简便,人手需求少,可以通过触摸屏界面进行调整。系统上安装了多个安全联锁装置,以提供警报,保证安全性。

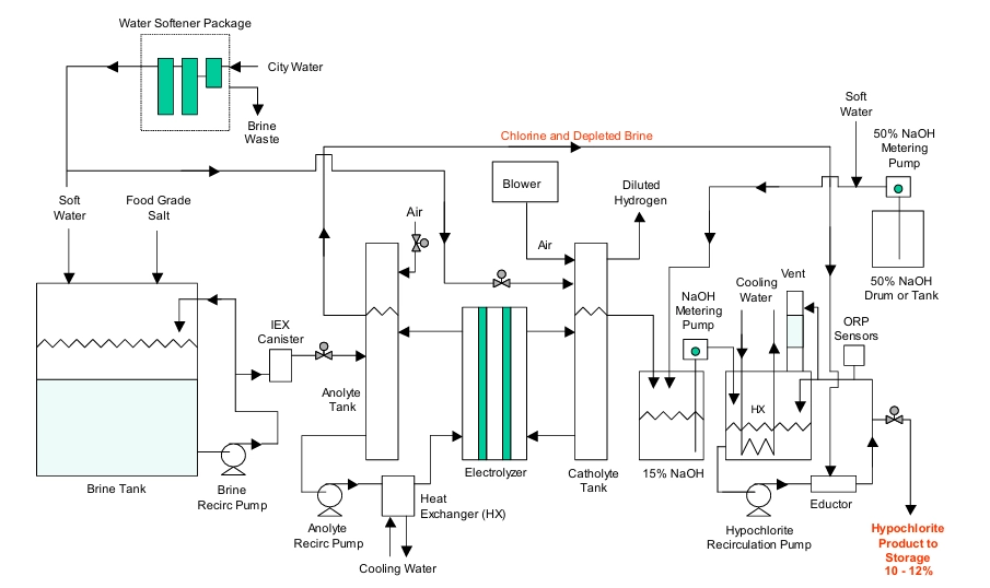
三、高浓度次氯酸钠发生器工艺流程

四、SCITEC-高浓度次氯酸钠发生器参数
指标 | 数值 |
电耗(kW·h/kgCl2) | <3.5 |
盐耗(kg/kgCl2) | <2.0 |
电流效率(%) | ~90 |
次氯酸钠浓度(%) | 5~15 |
有效氯产率(kg/h) | 0.75-200 |
五、部分业绩项目图片
